Are you in the right place?
Select country
Spain - EUR
Sweden - SEK
France - EUR
Denmark - DKK
Poland - PLN
Finland - EU2
Italy - EUR
Germany - EURAustria - EUR
Belgium - EUR
Bulgaria - EUR
Cyprus - EUR
Czech Republic - EUR
Estonia - EUR
Greece - EUR
Hungary - EUR
UK - GBP
Ireland - EUR
Latvia - EUR
Lithuania - EUR
Luxembourg - EUR
Malta - EUR
Netherlands - EUR
Norway - NOK
Portugal - EUR
Romania - EUR
- Rest of World - EUR
Slovakia - EUR
Slovenia - EUR
Switzerland - EUR
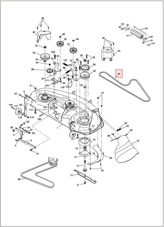
Correa corte 48" Husqvarna GTH250, GTH2548, YTH2048 y otros
- Información del producto
-
Correa 5321808-08
Repuesto de Husqvarna
Compatible, entre otros, con:
Husqvarna GTH 250 XP (96021000100, GTH250, HEGTH250A, HEGTH250KA, HEGTH250KC, HEGTH250KD)
Husqvarna GTH 2548 XP (HAU25H48A, HAU25H48B)
Husqvarna YTH 1848 XP (96013000301, HAU18H48A, HAU18H48B, HAU18H48C, HAU18H48D, HAU18H48E, HAU18H48F, HAU18H48G, HAU18H48H, HAU18H48J, HAU18H48K)
Husqvarna YTH 2048 (954567086)
Husqvarna YTH 2148 (954572035, LO21H48D, LO21H48E, LO21H48F, LO21H48G, LO21H48H, LO21H48J)
Husqvarna YTH 2148 XP (HAU21H48B, HAU21H48C)
Husqvarna YTH 2248 (954571977)
Husqvarna YTH 2448 (279080, 279081, 960130007, 96013000700, 96015000103)
Husqvarna YTH 2548 (954571984)
Husqvarna YTH 2748 (96013001000)
Husqvarna YTH 2754 (96013001000)
Jonsered
Jonsered LT 19 (954130063, 954130071, 954130078, JLT19H48A, JLT19H48B, JLT19H48C, JNA19H48A, JNA19H48B)
Jonsered LT 2119 (J2119AA, JNA19H48B)
Jonsered LT 2122 (954130214, 96011001100, 96011001101, 960110130, 96011013000, 960110226, 96011022600, J2122AA, J2122AB, J2122AC)
¿Desea buscar entre los diagramas de despiece y repuestos de Husqvarna? Entonces utilice nuestro catálogo de repuestos. Haga clic aquí para acceder al catálogo de repuestos. Tenga en cuenta que siempre debe verificar el número de artículo utilizando el diagrama de despiece de su máquina. - Especificaciones
-
Número de pieza del fabricante: 532 18 08-08 , 532180808 - Archivos
Historial de precios
:

Spain - EUR
Sweden - SEK
France - EUR
Denmark - DKK
Poland - PLN
Finland - EU2
Italy - EUR
Germany - EUR


