Are you in the right place?
Select country
Italy - EUR
Germany - EUR
Finland - EU2
France - EUR
Denmark - DKK
Poland - PLN
Spain - EUR
Sweden - SEKAustria - EUR
Belgium - EUR
Bulgaria - EUR
Cyprus - EUR
Czech Republic - EUR
Estonia - EUR
Greece - EUR
Hungary - EUR
UK - GBP
Ireland - EUR
Latvia - EUR
Lithuania - EUR
Luxembourg - EUR
Malta - EUR
Netherlands - EUR
Norway - NOK
Portugal - EUR
Romania - EUR
- Rest of World - EUR
Slovakia - EUR
Slovenia - EUR
Switzerland - EUR
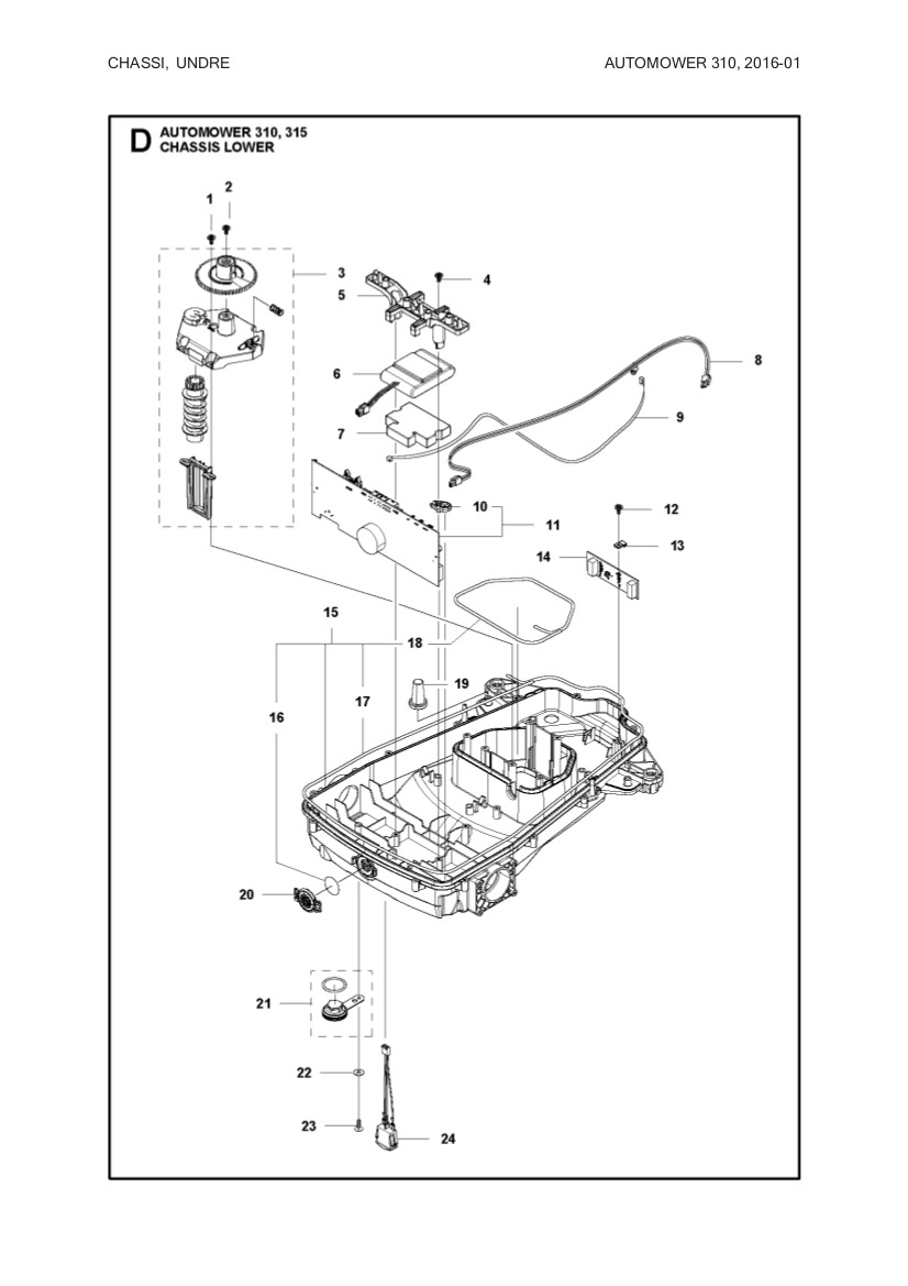
CIRCUITO IMPRESO ENSAMBLADO PCB 310, 315, 315X
Este repuesto debe ser programado en un taller autorizado de Husqvarna después de la instalación.
€302.90 /
€272.61
- Información del producto
-
592 85 18-01 - CIRCUITO IMPRESO ENSAMBLADO PCB
Replacing 588 77 90-01, 588 77 90-02, 588 77 90-03.
Encaja:
Automower 310 2016->
Automower 315 2016->
Automower 315X 2018->
Gardena:
SILENO: R100Li/R100LiC, SILENO+: R130Li/R130LiC/R160Li, 2016->
Note that all main circuit boards must be programmed in an authorized workshop after installation in a robot! - Especificaciones
-
Número de pieza del fabricante: 592 85 18-01 , 592851801 - Archivos
Historial de precios
: €260.24

Italy - EUR
Germany - EUR
Finland - EU2
France - EUR
Denmark - DKK
Poland - PLN
Spain - EUR
Sweden - SEK



