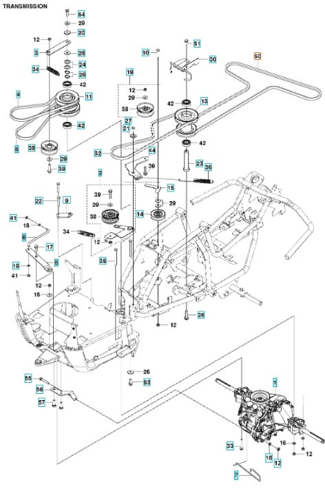
El paquete contiene todas las correas para la cortadora de césped Husqvarna Rider 112C - las correas son compatibles con modelos de año 2021 en adelante. Hay un total de cuatro correas.
El paquete se aplica únicamente a modelos del año 2021 o más recientes. También puedes verificar que este paquete es compatible comprobando el número de producto que debe ser 9671784-02.
Las siguientes correas de transmisión están incluidas en el paquete:
- 5895328-01 - Número 32 en la imagen, se monta entre el motor y el punto de potencia
- 5895314-01 - Número 50 en la imagen, se monta entre la polea intermedia y el conjunto de corte
- 5895617-01 - Número 4 en la imagen, se monta en la transmisión
- 5895631-01 - Número 5 en la imagen, se monta entre el motor y la caja de cambios

Italy - EUR
Spain - EUR
Poland - PLN
Sweden - SEK
Germany - EUR
Finland - EU2
France - EUR
Denmark - DKK






